Основные виды
В зависимости от устройства и особенностей функционирования, все сеялки делят на три вида: ручные, предназначенные для использования с мотоблоком и четырёхрядные.
Важно! Некоторые модели предполагают возможность полива одновременно с посадкой
Ручная
Ручная сеялка предусматривает, что в действие она будет приводиться человеческим трудом. Внешне такие модели схожи с садовой тележкой и могут иметь как одно колесо по центру, так и два по бокам для стабилизации. Её главным преимуществом является простота конструкции и использования, а минусом — высокая нагрузка на человека.
Для мотоблока
Модели данного вида предназначены для использования с мотоблоком, роль которого преимущественно выполняет установленный на конструкцию двигатель внутреннего сгорания или же трактор. Такие модели имеют два колеса и специальные крепления для троса и фаркопа и используются в основном на участках, ручной посев на которых затруднителен или невозможен. К преимуществам относится скорость обработки почвы, а к недостаткам — высокие затраты, связанные с топливом.
Четырёхрядная
Особенностью данного вида является наличие четырёх звёздочек для посева чеснока сразу в четыре ряда. Большинство таких моделей в силу своих габаритов выпускаются в виде прицепов для мотоблоков. К преимуществам четырёхрядных сажалок относят скорость обработки земли, а к недостаткам — дороговизну относительно более простых механизмов и более сложную конструкцию.
Как сделать сеялку для чеснока своими руками
В случае если сеялка нужна в хозяйстве, но в силу различных причин нет желания и/или возможности её приобрести, может быть сконструирована самодельная сажалка.
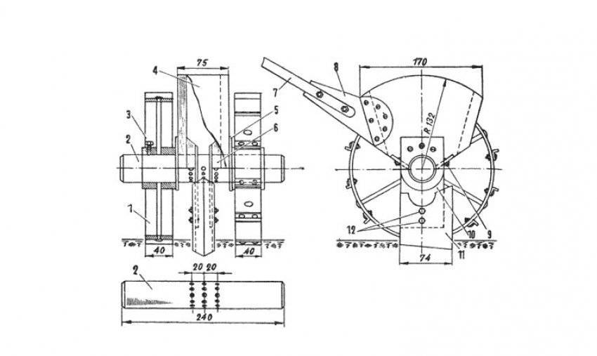
Размеры и чертежи
Основой всей конструкции послужит чертёж. В нём точно указываются все детали механизма, схема их взаиморасположения и крепления. Определяются также размеры механизма и обозначаются в чертеже. Указываются они в миллиметрах.

Материалы и инструменты для работы
Для изготовления конструкции потребуются:
- рама;
- ёмкость, которая будет выполнять функции контейнера;
- щётки-распределители для размещения зубчиков в лунках;
- колесо;
- редуктор;
- сошник и лопасти для создания лунок;
- направляющие ручки;
- вал с возможностью вращения и велосипедная цепь для связи элементов механизма;
- плоскогубцы;
- отвёртки;
- гаечный ключ.
Знаете ли вы? Выращивание чеснока в качестве агрокультуры началось в IV–III тысячелетиях до н. э.
Пошаговая инструкция изготовления
Процесс изготовления предполагает неукоснительное следование поэтапной схеме сборки.
Отбирается рама. В передней её части крепятся колесо и редуктор, которые соединяются велосипедной цепью.

Сборка контейнера
Отбираются ёмкости, которые будут выполнять функцию контейнера. В каждой из них оборудуется двойное дно, что обеспечит посеву равномерность. На раму по центру крепится вал, над ним — контейнер, и обе детали соединяются трубкой с подвижной пластиной.
Узнайте также как правильно посадить чеснок осенью.
Крепление сошника
В задней части рамы устанавливается сошник, соединяясь с основным механизмом. За сошником под углом относительно друг друга крепятся лопасти, которые будут выполнять роль «лопаток».
Сеяние чеснока легко может быть автоматизировано благодаря механической сеялке. Она позволит сэкономить время и силы, потратив их на выполнение других задач.
Принцип работы сажалки
Приспособление для посадки чеснока призвано упростить ручной труд огородника. Его конструкция продумана таким образом, чтобы сделать процесс эксплуатации максимально удобным и легким. Основу сажалки составляет прочная металлическая рама, к которой крепятся корпус и необходимые детали: редуктор, контейнер, цепь и звездочка.
Зубчики чеснока предварительно закладываются в контейнер для посевного материала, расположенный в верхней части агрегата. Борозда, куда они попадают, подготавливается при помощи сошника. Глубина посадки при этом составляет 15–20 см. Принцип работы сажалки для чеснока заключается в захвате посадочного материала из контейнера и равномерном погружении его в рыхлую землю. Существуют приспособления с емкостями для воды. С их помощью становится возможным одновременное орошение посадок, что достаточно удобно.
Благодаря сеялке выполняются следующие задачи:
- Обеспечивается равномерная посадка зубчиков чеснока по всей линии посева.
- Ряды формируются на одинаковом расстоянии друг от друга.
- Выдерживается правильная глубина посадки.
Чесночная сажалка существенно снижает трудоемкость посадки пряной культуры. Ее приобретают на рынке сельскохозяйственной техники либо изготавливают собственноручно.

Сеялка с роторным рабочим инструментом
Любая сеялка для достаточно крупного посадочного материала строится по схеме привода от направляющего колеса. Для того чтобы отобрать зубок чеснока из бункера и уложить его в грядку, нужна энергия. Обычно это энергия вращения, и отбирается она от переднего направляющего колеса. Вариантов оформления конструкции может быть несколько.
Самый простой вариант чесночной сеялки приведен на схеме.

Сеялка для чеснока представляет собой бункер (5), установленный на Y-образной раме с направляющим колесом большого размера (8). Чем больше колесо, тем легче управлять устройством, и тем ровнее ложатся чесночные зубчики в грядку. Иногда сеялку выполняют с двумя колесами малого размера, работать с таким аппаратом легче, но больше виляний по курсу.
В нижней части сеялки установлены сразу два рабочих инструмента – сошник с отвальником (10). В их задачу входит подрыв земли и забрасывание почвой уложенного чеснока. В конструкции должна существовать возможность индивидуальной регулировки обоих инструментов, так как глубина посадки чеснока может сильно отличаться для разных климатических условий. Заднее колесо небольшого размера существенно облегчает работу, так как не нужно постоянно руками регулировать глубину погружения сошника и отвальника.
Главным инструментом является щеточный податчик. По сути, это деревянный или пластиковый вал с насаженными рядами жесткой и длинной щетины. Его легко можно изготовить из одежной щетки. Вал податчика установлен на двух опорах скольжения и выведен через стенку бункера. На вал насажен один из фланцев ременной передачи, второй установлен на ось направляющего колеса сеялки.
При движении щетка-податчик захватывает зубчик чеснока и выкладывает его на подпружиненный клапан (11). При каждом повороте податчика клапан открывается, и чесночный зубчик летит в только что сделанную борозду. При срабатывании клапана слышен щелчок, по которому можно судить об успешной работе сеялки.

Из всех существующих конструкций сеялок для чеснока это самая эффективная и точная. Понятно, что успех в использовании сеялки при посадке чеснока во многом зависит от индивидуальных настроек аппарата, но это уже дело техники. Удачно задуманный принцип с приводом из бункера часто копируется и воспроизводится в самых различных вариантах. По мнению специалистов, это один из немногих вариантов, подходящий для изготовления сеялки для чеснока своими руками.

Виды картофелесажалок
На рынке представлены сажалки картофеля нескольких разновидностей, различающихся между собой конфигурацией, габаритами и функциональными возможностями. Разная и стоимость у таких приспособлений.
Можно купить как дорогостоящие универсальные модификации, так и доступные бюджетные механизмы.
Компактные
Сажалки небольших размеров применяются для высадки семенного картофеля на земельном участке либо в огороде на даче. Структура приспособления включает в себя регулятор глубины посадки семян и контроллер высоты грунтовой гребенки, формирующейся благодаря поднятию почвы. Компактные картофелесажалки могут применяться с мототехникой как российских, так и иностранных производителей.
Масса таких устройств ориентировочно равняется 20–25 килограммам. Вместимость бункера достигает до 34 литров. Посредством картофелесажалки можно возделывать ряды шириной 60–75 сантиметров и высаживать 5–6 клубней на один метр. Скорость высадки равняется в пределах 0,2 га/час.
Средние
Подобные сажалки картофеля обладают емким баком объемом 44 литра. Это довольно громоздкие и нелегкие сажалки, их масса равняется 41 килограмму, а продуктивность – 0.2-0.25 га/ч. Такие приспособления агрегируют с малой и средней мототехникой.
Крупные
Практикуются для обрабатывания значительных земельных площадей. Имеют крупноразмерный бункер, картофель в который загружается посредством самосвала. Присоединяется к трактору. Это мощные дорогостоящие конструкции, практикуемые в частных фермерских подворьях и крупных сельскохозяйственных предприятиях. Такие орудия можно агрегировать, скорее, со средней и тяжелой техникой, но никак не с ручными мотоблоками. А можно практиковать как автономный агрегат.
Плюсы и минусы сеялок
Прежде чем покупать сажалку, нужно определиться с типом устройства. Его выбор зависит от объёмов участка и посевного материала, состояния почвы, наличия необходимой техники.
Для мотоблока

Для работы с такой сажалкой можно использовать любой мотоблок, необходимы лишь специальные крепления или адаптеры. Управлять приспособлением очень просто, мотоблок будет самостоятельно передвигать чеснокосажалку.
На трактор

Приспособление подходит для больших хозяйств, где высаживают чеснок в виде зубчиков и бульбочек. Существуют навесные и прицепные сажалки для тракторов. Их же используют для минитракторов. Чеснокосажалка в пять-шесть рядов позволит засеять шесть соток за час.
Ручная

Подходит для небольших участков, где нет надобности в мощных устройствах. Такая сажалка весит меньше, но её придется транспортировать по участку своими силами. Тем не менее аппарат облегчит и ускорит процесс засевания.
| Вид устройства | Плюсы | Минусы |
| На мотоблок |
|
|
| На трактор |
|
|
| Ручной |
|
|
Сажалка для чеснока своими руками: чертежи
Чеснок – природный антибиотик, который спасает от всех болезней. К тому же он обладает прекрасными вкусовыми качествами и незаменим во многих блюдах. Именно поэтому фермеры стараются посадить этот овощ в больших масштабах. Для этого можно сделать сажалку для чеснока своими руками.
Изготовление сажалки для чеснока своими руками
В зависимости от наличия средств и необходимых материалов, рекомендуется соорудить разные приспособления в домашних условиях. Эти конструкции помогут при посадке чеснока, облегчив труд и заметно увеличив засаженную площадь
На мотоблоке
Мотоблок в последнее время заменяет для фермера несколько ранее использовавшихся в хозяйстве инструментов. Это своеобразный минитрактор для российских огородников.
С помощью устройства можно копать и обрабатывать картофель, пахать землю, использовать его как средство передвижения грузов по пересеченной местности, если соорудить самодельный прицеп.
Прикрепить к мотоблоку сажалку непросто, но это сэкономит много времени и сил.
Чтобы соорудить чеснокосажалку на мотоблоке своими руками понадобятся:
- Ёмкость для семян треугольной формы, чтобы было удобно засыпать по широкому каналу, а семена выходили с противоположного узкого конца дозировано.
- Колесо.
- Шестеренки.
- Цепь.
- Болты и крепления.
- Сошник.
Эти элементы нужно прикрепить к мотоблоку, согласно заранее приготовленному чертежу.
Ручная на колесах
У ручной сеялки много положительных качеств:
- Этот технический аппарат прост в обращении.
- На него не нужно покупать топливо.
- Механическую поломку легко исправить.
Во время посева потребуется усилия для передвижения ручного устройства по огороду, остальные действия выполняются в автоматически, как и в случае сооружения сеялки из мотоблока. Поэтому такой вариант подойдёт для огородов менее 10–20 соток, большую площадь будет засеять довольно сложно.
Несмотря на наличие режущего землю сошника, садить чеснок нужно во вспаханный чернозем. Почва должна быть достаточно рыхлой для обеспечения при посадке оптимальных условий роста плода.
Сажалки облегчают сеяние чеснока
https://www.youtube.com/watch?v=hPUnuGUhBpA
Понадобятся следующие материалы:
1. Контейнер для чеснока с двойным дном. С помощью отверстий в нем будет регулироваться подача семян наружу.
2. Щётки, прикрепленные к валу, способствующие дозированному выделению зубчиков из ёмкости.
3. Одно или два колеса. Их точное количество зависит от того, какая выбрана конструкция сеялки.
4. Сошник, который будет определять глубину посадки семян.
К разработке деталей ручной чеснокосажалки нужно подходить очень внимательно, каждая мелочь скажется в дальнейшем на качестве выращенной продукции.
Посадочный маркер
Конструкция напоминает деревянные грабли с крупными зубцами не треугольной формы. Такой вид приспособления сделать проще всего. Им легче распределять чеснок по грядкам, а не использовать борозды. Маркер не обеспечивает попадания семян в землю, но регулирует глубину и расстояние между лунками, которое можно легко контролировать. Эти параметры скажутся на урожайности и качестве продукта.
Плюсы посадки с помощью маркера:
- Одинаковая глубина лунок.
- Идеально ровные ряды.
- Можно такой сеялкой пробороздить землю, для более быстрой работы.
Своими руками ее сделать очень легко, понадобится только минимальное количество пиломатериалов и черенок.
Полезные советы
Чтобы самодельная сажалка для чеснока действительно приносила пользу, необходимо рассчитать несколько параметров, в соответствии с которыми посаженный материал принесёт хороший урожай.
- Расстояния между зубчиками чеснока должно хватать на полное созревание, чтобы при росте плоды не мешали друг другу.
- Семена нужно вложить в землю на определённую глубину, при которой после осадки почвы чеснок не окажется на поверхности и не замедлит свой рост от слишком глубокого посева.
Для соблюдения данных правил понадобится верно рассчитать ширину зубцов у маркера и скорость выпадения семян из сеялки.
Супер крутая сажалка для чеснока и лука своими руками!Сеялка для чеснока своими руками )Сеялка (Сажалка) для чеснока Своими руками (краткий обзор)
Заключение
Самодельные ручные сажалки для посадки чеснока пригодятся и для посева лука-севка. При помощи маркера можно посадить и другие овощи.
Сеялка послужит не один год и необходима в том случае, когда чесноком и луком требуется заполнить не одну грядку, а несколько соток земли.
Если правильно соблюдать технологию и выполнять работу с любовью, внимательно ухаживать за растущими семенами, урожай в несколько десятков раз окупит затраченные труды и средства.
Приспособление для посадки чеснока своими руками: чертежи и размеры устройства

Посадка чеснока в промышленных объемах выполняется с использованием специальных механизмов, которые невозможно использовать на домашних участках. Однако высаживать вручную грядки тоже не слишком удобно и требует определенного времени. Для обычных огородников отлично подойдёт посадка чеснока с применением приспособлений, которые без труда можно соорудить самостоятельно.
Посадка чеснока с использованием приспособлений
Конечно, высаживать чеснок осенью под зиму возможно вручную
Однако, если у дачника не пара грядок, а гораздо больше, то лучше обратить внимание на приспособление для посадки чеснока, которое сделает процесс более простым и быстрым
Инструменты для посадки встречаются разные, однако цели их применения у всех одинаковые:
- Соблюдение необходимой глубины при посадке.
- Нет необходимости следить за тем, чтобы высадка была ровной.
- Увеличивается скорость процесса.
- Между зубчиками чеснока сохраняется одинаковое расстояние.
Инструменты для посева чеснока легко сделать самостоятельно
Использование подобных инструментов позволяет облегчить труд дачника, а посадка в результате не занимает много времени.
Как работает инструмент
Принцип деятельности простой сеялки возможно увидеть в различных видео в интернете. Если расписывать процедуру пошагово, то процесс выглядит следующим образом:
- В специальный контейнер помещается посадочный материал.
- При движении инструмента происходит образование лунок под посадку, в которые помещаются зубки овоща.
- После этого посадочный материал засыпается землёй.
В механических современных сеялках нередко присутствует резервуар для воды, чтобы сразу после посадки полить саженцы.
Чаще всего для ручного инструмента используют дерево
Пистолет для посадки через пленку
Конструкция позволяет высадить чеснок в грядку, которая уже накрыта пленкой или укрывным материалом. Выглядит она, как большой шприц с поршнем. Работать подобным инструментом довольно просто:
- Втыкают пистолет в землю острым концом.
- Закладывают в трубку чеснок.
- Зажимают рычаг и поднимают.
На этом все, прибор позволяет потратить меньше времени на посадку, не пачкать руки и посадить чеснок сразу под пленку либо укрытие.
Пистолет для посадки позволяет сажать чеснок сразу под пленку
Базука для посадки чеснока
Подобное устройство довольно похоже на предыдущее. Лучше купить готовое, но возможно попытаться сделать его самостоятельно. Благодаря базуке процесс посадки чеснока становится легче и быстрее.
При использовании отпадает необходимость в том, чтобы нагибаться, производительность труда повышается. Устройство можно спокойно применять одной рукой, оно легкое и довольно простое в эксплуатации.
Помимо этого, в продаже можно встретить множество механических изделий, который ускоряют процесс посадки в несколько раз. Например, приспособление на мотоблоке очень экономит человеческие силы и практически не имеет отрицательных сторон.
Преимущества использования самодельных устройств
Самодельные устройства имеют определенные преимущества перед покупными моделями. Самостоятельно дачник может изготовить более сложную либо более простую конструкцию, которая будет удобной для него в любом положении. К достоинствам также относят:
- Большинство запасных частей просто найти в своем доме или сарае, их даже не придется покупать, что позволит сэкономить значительную сумму денег.
- Если дополнить модель различными предметами, то вполне возможно сделать универсальный прибор, который можно будет применять для других целей либо ускорить процесс.
- Домашние приборы часто подходят для посадки не только чеснока, но и других семян.
Внимание! Самым большим плюсом является всё-таки дешевизна устройства, при желании его можно сделать бесплатно, если все материалы найдутся на даче. Механические сеялки также можно сделать из подручных материалов. Механические сеялки также можно сделать из подручных материалов
Механические сеялки также можно сделать из подручных материалов
Самостоятельная сборка
Изготовить приспособление для посадки своими руками не сложно. Выше были описаны схемы создания простых маркеров. Однако при желании можно сделать более серьезные устройства.
Как сделать сеялку?
Материалы:
- прозрачная пластиковая банка (будет контейнером для семян);
- болт;
- пластиковая трубка (нужно будет отрезать кусок, подходящий к банке по глубине);
- металлическая трубка чуть уже диаметром;
- 2 шайбы для фиксации банки;
- гайка;
- консервная банка (можно просто крышку от нее);
- алюминиевая проволока;
- деревянная ручка;
- тяпка.
Инвентарь:
- сверло;
- нож;
- ножницы;
- гвоздь;
- зажигалка;
- спички.
Инструкция:
Банку из пластика нужно просверлить насквозь
Отверстие должно находиться точно в центре – это важно для устойчивости конструкции. Снять крышку. Сбоку проделать отверстие в виде треугольника (для семян)
Вырезать крышку из консервной банки
Сбоку проделать отверстие в виде треугольника (для семян). Вырезать крышку из консервной банки
Снять крышку. Сбоку проделать отверстие в виде треугольника (для семян). Вырезать крышку из консервной банки
Это будет клапан, регулирующий засыпку семян. Клапан нужно прикрепить к банке проволокой так, чтобы он мог свободно открываться и закрываться. Отрезать кусок пластиковой трубы и вставить в центр банки. Так банка не будет сжиматься от затягивания болта. В обрезок пластиковой трубы надо вставить металлическую трубку – так получится подшипник. В итоге банка должна вращаться – это знак того, что конструкция работает правильно. В металлическую трубу в свою очередь вставляется болт. Нужно закрутить его гайкой между двумя шайбами – так вращение станет свободным. Сбоку пластиковой банки раскаленным гвоздем делают 2 отверстия. При этом диаметр гвоздя будет таким же, как у зубчика чеснока, который будут высаживать. В деревянной ручке просверлить отверстие под болт и прикрутить ее к резервуару (банке). Тяпку согнуть и прикрепить проволокой к ручке, повыше резервуара.
Преимущества самодельной над покупной
Инструмент, созданный своими руками, всегда будет выгодно отличаться от покупной техники:
- Индивидуальные параметры и удобство: создается техника под необходимые требования.
- Легко починить, в ход пойдут подручные средства.
- Низкая себестоимость.
В процессе работы, возможно, понадобится докупить некоторые детали, продумывают конструкцию заранее и определяют цели, под которые создается инструмент.
Какие инструменты и материалы понадобятся?
Основные конструктивные элементы, необходимые для создания чеснокосажалки:
- рукоять управления;
- емкости для посевного материала;
- вращающийся вал;
- колеса;
- цепи;
- сошник.
Инструмент можно соорудить из дерева, металла, пластика. За основу можно взять старый детский велосипед. Конструкция создается по чертежу.
Схемы и пошаговая технология сборки
План создания чеснокосажалки своими руками:
- Нарисовать чертеж.
- Создают емкость для посевного материала: в центре пластиковой канистры или иной емкости делают отверстие, сбоку вырезают зазор для семян.
- У емкости должна быть крышка, часто для ее создания используют жестяные банки и проволоку.
- Раму собирают из металлических элементов.
- Емкость прикручивают к раме.
- Изготавливается колесная ось.
- Колесо сажалки соединяют с помощью цепи с колесом мотоблока.
- Устанавливается сошник.
- Создается сиденье и место для ног.
Важно! При создании инструмента своими руками необходимо учитывать правила техники безопасности
Особую осторожность следует применить при работе со сваркой: используют защитные очки, перчатки, сапоги
Работу с мотоблоком и сажалкой проводят вдвоем: один человек управляет инструментом, другой контролирует посадку.
Приспособление первое.
Две доски, между которыми на определенном расстоянии расположены колышки, крайние из которых одновременно являются длинными ручками.
Доска 2см.*10см. Расстояние между зубьями и в глубину – 10 см. Саморезами прикручены зубья, в промежутки между которыми вставлены обрезки доски, ширину делаем на ширину той грядки, в которой будет производиться посадка лука или чеснока.
Очень незатейливый прибор, но со своей основной обязанностью справляется на отлично!
Получается вот такая красота!
Приспособление второе.
Брусок древесина 35*35, длинной в ширину грядки. Перьевым сверлом на 20 просверлил отверстия через 150 мм. Здесь делаем то расстояние к которому вы привыкли при посадке чеснока и лука.
Нарезал из полипропиленовой трубы отрезков 20*100. Вставил отрезки в отверстия и закрепил их маленькими саморезами.
Для данного приспособления необходимы ручки. Надо как-то доделать!
Приспособление третье.
Используется при ленточном, двухрядном способе. Ширина между рядами до 25 см., В ряду расстояние между зубками 10 см.
Данное приспособление пригодно для ручной посадки, без упора ногой.
Сажалка с двумя лопатками
polybull.com
Очередная вариация на тему сажалки с пружинным механизмом. Однако на этот раз место конуса заняли две лопатки, которые приводятся в движение не кнопкой, а нажатием на горизонтальную перемычку. Этим инструментом хорошо делать неглубокие лунки, которые подходят для посадки мелколуковичных. Его также можно использовать и для пересадки многих других растений. Однако для заготовки лунок под более крупные цветы такая сажалка не подходит.
Достоинства: легка в обращении, подходит для разного вида работ.
Недостатки: открытый механизм требует регулярной очистки, нельзя выкопать глубокие лунки.




































