Распространенные схемы
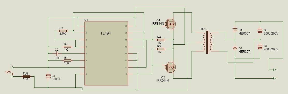
Простой импульсный преобразователь
Схема этого устройства очень проста, а большинство деталей могут быть извлечены из ненужного блока питания компьютера. Конечно, у нее есть и ощутимый недостаток – получаемое на выходе трансформатора напряжение 220 вольт далеко по форме от синусоидального и имеет частоту значительно больше, чем принятые 50 Гц. Напрямую подключать к нему электродвигатели или чувствительную электронику нельзя.

Для того, чтобы иметь возможность подключать к этому инвертору содержащую импульсные блоки питания технику (например, блок питания ноутбука), применено интересное решение – на выходе трансформатора установлен выпрямитель со сглаживающими конденсаторами. Правда, работать подключенный адаптер сможет только в одном положении розетки, когда полярность выходного напряжения совпадет с направлением встроенного в адаптер выпрямителя. Простые потребители типа ламп накаливания или паяльника можно подключать непосредственно к выходу трансформатора TR1.
Основа приведенной схемы – это ШИМ-контроллер TL494, наиболее распространенный в таких устройствах. Частоту работы преобразователя задают резистор R1 и конденсатор C2, их номиналы можно брать несколько отличающимися от указанных без заметного изменения в работе схемы.
Для большей эффективности схема преобразователя включает в себя два плеча на силовых полевых транзисторах Q1 и Q2. Эти транзисторы нужно разместить на алюминиевых радиаторах, если предполагается использовать общий радиатор – устанавливайте транзисторы через изоляционные прокладки. Вместо указанных на схеме IRFZ44 можно использовать близкие по параметрам IRFZ46 или IRFZ48.
Выходной дроссель наматывается на ферритовом кольце от дросселя, также извлекаемого из компьютерного блока питания. Первичная обмотка мотается проводом диаметром 0,6 мм и имеет 10 витков с отводом от середины. Поверх нее наматывается вторичная обмотка, содержащая 80 витков. Также можно взять выходной трансформатор из сломанного источника бесперебойного питания.
Вместо высокочастотных диодов D1 и D2 можно взять диоды типов FR107, FR207.
Так как схема очень проста, после включения при правильном монтаже она начнет работать сразу и не потребует никакой настройки. Отдавать в нагрузку она сможет ток до 2,5 А, но оптимальным режимом работы будет ток не более 1,5 А – а это более 300 Вт мощности.
Готовый инвертор такой мощности стоил бы порядка трех-четырех тысяч рублей.
Схема преобразователя с выходом переменного тока
Эта схема выполнена на отечественных комплектующих и достаточно стара, но это не делает ее менее эффективной. Главное ее достоинство – это получение на выходе полноценного переменного тока с напряжением 220 вольт и частотой 50 Гц.

Здесь генератор колебаний выполнен на микросхеме К561ТМ2, представляющей собой сдвоенный D-триггер. Она является полным аналогом зарубежной микросхемы CD4013 и может быть заменена ей без изменений в схеме.
Преобразователь также имеет два силовых плеча на биполярных транзисторах КТ827А. Их главный недостаток по сравнению с современными полевыми – это большее сопротивление в открытом состоянии, из-за чего нагрев при той же коммутируемой мощности у них сильнее.
Так как преобразователь работает на низкой частоте, трансформатор должен иметь мощный стальной сердечник. Автор схемы предлагает использовать распространенный советский сетевой трансформатор ТС-180.
Как и другие инверторы на основе простых ШИМ-схем, этот преобразователь имеет на выходе достаточно отличающуюся от синусоидальной форму напряжения, но это несколько сглаживается большой индуктивностью обмоток трансформатора и выходным конденсатором С7. Также из-за этого трансформатор во время работы может издавать ощутимый гул – это не является признаком неисправности схемы.
Простой инвертор на транзисторах
Этот преобразователь работает по тому же принципу, что и перечисленные выше схемы, но генератор прямоугольных импульсов (мультивибратор) в нем построен на биполярных транзисторах.

Особенность этой схемы в том, что она сохраняет работоспособность даже на сильно разряженном аккумуляторе: диапазон входных напряжений составляет 3,5…18 вольт. Но, так как в ней отсутствует какая-либо стабилизация выходного напряжения, при разрядке аккумулятора будет одновременно пропорционально падать и напряжение на нагрузке.
Так как эта схема также является низкочастотной, трансформатор потребуется аналогичный используемому в инверторе на основе К561ТМ2.
Использование выпрямителей 1N4148
Выпрямители данного типа способны работать только с понижающими трансформаторами. В этой ситуации сборку преобразователя следует начинать с установки индукционной катушки. Целесообразнее ее подбирать на 50 А. В таком случае фильтров в устройстве потребуется только два. Один их них обязан располагаться за тиристором.
Второй фильтр потребуется установить рядом с трансформатором. Частоту модели можно подстраивать благодаря регулятору. Биполярные усилители для преобразователей используются очень редко. Непосредственно клеммники следует устанавливать в последнюю очередь. Стабилитроны в данном случае не потребуются. Для того, чтобы резистор не перегорал, необходимо устанавливать предохранитель. Предельное напряжение он обязан выдерживать на уровне 220 В.
Аккумуляторные батареи
Инвертор 12 в 220, сделанный самотоятельно не может работать сам по себе. Для преобразования напряжения в 12 вольт, его нужно вначале откуда-то получить. Таким источником электроэнергии служат аккумуляторные батареи свинцово-кислотного типа. Эти химические устройства способны регулярно выполнять отдачу больших токов, не утрачивая своей работоспособности за 12-15 циклов зарядки и разрядки.
Чтобы АКБ преждевременно не вышла из строя, ее напряжение отслеживается с помощью контроллера, предотвращающего чрезмерный разряд. Однако, следует помнить, что в родных АКБ бесперебойников используется гелевый электролит, а в автомобильных батареях – жидкий. Поэтому режимы зарядки у них различаются. Токи, пропускаемые сквозь гель, не подходят для жидкого электролита. Таким образом, источник бесперебойного питания будет регулярно не до конца заряжать автомобильный аккумулятор, и он быстро выйдет из строя. Во избежание подобных ситуаций, у инвертора 12 в 220 на основе ИБП в комплекте должно быть отдельное зарядное устройство для АКБ. Его также возможно сделать самостоятельно.
Мощность аккумуляторной батареи выбирается в соответствии с основными целями и задачами преобразователя напряжения. Этот показатель рассчитывается как мощность, отдаваемая потребителям, разделенная на КПД инвертора. В любом случае следует не допускать полной разрядки аккумулятора, устанавливать для этой цели специальные ограничители работы или контроллеры. При отсутствии этих приборов, конструкция инвертора должна соответствовать возможностям имеющейся батареи.
В среднем кислотные аккумуляторы могут работать без заметной потери своего ресурса в течение 2 часов при токе 12 А и мощности 60 А/ч, 24 А – 120 А/ч, 42 А – 210 А/ч. Учитывая имеющийся КПД преобразования допустимая долговременная мощность нагрузки будет соответственно 120, 230 и 400 Вт. На короткое время может быть подключена повышенная нагрузка, тогда мощность возрастает примерно в 2,5 раза. Однако, после такой интенсивной работы, батарея должна отдыхать как минимум 20 минут.
Таким образом, правильно рассчитанный самодельный инвертор и соответствующий аккумулятор нужной мощности непременно дадут желаемые результаты. Для постоянной работы эти устройства не годятся, но вполне способны решить проблему энергоснабжения нужных потребителей в течение достаточно продолжительного периода времени.
Инвертор с 24 в 220 вольт
Расчет времени работы инвертора от аккумулятора
Что такое инвертор напряжения
Гибридный инвертор
Трехфазный инвертор
Автомобильный инвертор с 12 на 220
Виды и типы
Инверторы различаются по схеме построения. Первые устройства были механического типа, пока на смену им не пришли полупроводниковые, а современные уже стали цифровыми. По классификации различают следующие основные схемы построения:
- Бестрансформаторная мостового типа. Применяется для устройств питания с мощностью 500 ВА и выше.
- Использующая трансформатор с нулевым выводом. Применяются для устройств питания с мощностью до 500 ВА.
- Трансформаторная мостовая схема. Применяется для устройств питания в широком диапазоне мощностей от единиц ватт до десяток киловатт.
А также разделяются на однофазные и трёхфазные. По виду выходного напряжения бывают:
- с прямоугольной формой;
- со ступенчатой формой;
- с синусоидальной формой.
Для устройств, которые не требуют правильного синусоидального сигнала, могут применяться преобразователи с прямоугольной, трапецеидальной, треугольной формой выходного напряжения. Основным преимуществом таких преобразователей является невысокая цена.
Для оборудования, требующего надёжного питания, необходимо использовать инверторы с правильной формой синусоиды. Такое оборудование стоит существенно дороже, но и стабильность работы у них выше.
Как устроен инвертор для ламп дневного света
Чтобы изготовить преобразователь, который позволит осветить помещение любых размеров или авто достаточно использовать схему сборки своими руками. Импульсные преобразователи VOLTSL относятся к двухтактным. Они смонтированы на блоках питания TL 494 (КС 1114ЕУ4). Микросхемы управляются силовыми частями блока питания и состоят из:
- генератора напряжения;
- источника, стабилизирующего напряжение;
- двух транзисторов на выходных источниках электротока, емкость которых составляет 0,7 мм и 0,1 В.
Чтобы выполнить монтаж необходимо предусмотреть приобретение выпрямительных диодов и трансформатора от блока питания. Следует разобраться с вопросом о перемотке трансформаторов. Выполняя данную работу самостоятельно следуют рассчитать до 100 кГц. Приобретается каждый резистор, с учетом схемы R1 и R2, создающий проход импульса тока у выхода. Рабочую частоту формируют при создании цепи С1 и R3. Монтируются диоды HR307, если же они отсутствуют, то используют HER304. Достаточно хорошо зарекомендовали себя диоды КД213. Подбор конденсаторов осуществляется имеющих различную емкость. Спаянные микросхемы помещаются в панели. Схемы могут функционировать на протяжении четырех часов — конструкция транзисторов при этом не перегревается, и в настройке они не нуждаются.
Трансформаторы подлежат самостоятельным намоткам. Поэтому необходимо заблаговременно запасаться ферритовыми кольцами, диаметр которых составляет 30 мм. В основе используется пропорция витков на намотке 1:120, тогда как 1:1 является первичной обмоткой, а 20 составляет 200 витков со вторичным покрытием.
Изначально выполняется намотка вторичной обмотки с применением провода, у которого сечение составляет 0,4 мм. На следующем этапе создается первичное покрытие, которое состоит из 2 половинок по десять витков на каждой из них. Многожильный мягкий провод в диаметре 0,8 мм используется для создания полуобмотки. Чтобы переделать трансформатор допускается использование устройства для 12-вольтовой лампы, , которая подсвечивает потолок. Снимается вторичная обмотка, а полуобмотка создается при наматывании покрытий, когда провод вдвое сложенный. После этого соединяющее место разрезается, а каждый конец проводов спаивается совместно, благодаря чему происходит формирование центра обмотки.
Для бесперебойной работы необходимо использование мощных металлических проводников или полевых транзисторов IRFL44N LRF46N. Для преобразователей устанавливаются диоды HER307 и КД213. В качестве конденсаторов применяются компьютерные блоки питания, с диаметром в 18 мм.
Инверторы надежным образом защищаются от перегрузки, если на выходах выполняется установка предохранителя и диода
Важно, чтобы соблюдение правил техники безопасности четко выполнялось: то есть необходимо избегать высоких напряжений. Заряды в конденсаторах могут храниться на протяжении 24 часов
Разрядку осуществляют при помощи накаливающих ламп на 220 В.
Инвертор своими руками 12 в 220 можно изготовить согласно простой схемы. Такое устройство считается достаточно удобным аппаратом, который позволяет получать напряжение в 220 В. Любые приборы, изготавливаемые в домашних условиях, в некоторых ситуациях абсолютно ничем не уступают заводским изделиям, а в некоторых случаях даже превосходят их.
Как работает инвертор
Основа автомобильного инвертора – генератор с широтно-импульсной модуляцией (ШИМ)
Это устройство работает от аккумулятора 12 вольт и выдает прямоугольные импульсы (меандр) с изменяемой скважностью (соотношением времени наличия/отсутствия напряжения). Когда скважность равна единице, инвертор обеспечивает максимальный ток
Чем меньше скважность, тем соответственно, меньше ток. При этом напряжение на выходе всегда соответствует значению 220 вольт. Частота работы генератора от 50 килогерц до 5 мегагерц, в зависимости от схемы и деталей. Превращение высокочастотного напряжения в низкочастотное (50 герц) происходит с помощью сглаживания меандра в колебательном контуре, образованном трансформатором и конденсатором, а также фильтрации гармоник. Ведь генератор ШИМ не только создает переменное напряжение 220 вольт с высокой частотой, но благодаря меняющемуся изменению скважности, модулирует выходное напряжение синусоидальным сигналом с частотой 50 герц.
Когда инвертор работает без нагрузки, скважность сигналов ШИМ-генератора минимальна, а напряжение на выходе составляет 220в. Подключение нагрузки приводит к увеличению тока и падению напряжения на выходе устройства ниже 220v
Система обратной связи сравнивает выходное напряжение с заданным стандартом, после чего подает на генератор сигнал, увеличивающий скважность импульсов. Благодаря этому возрастает выходная мощность, поднимается напряжение. При отключении нагрузки выходное напряжение поднимается выше 220 вольт, после чего система обратной связи снижает скважность импульсов до тех пор, пока напряжение не придет в норму. Изменение скважности и выходного тока приводит к увеличению нагрузки на аккумулятор, поэтому его напряжение нередко опускается ниже 12 вольт. В этом случае схема с обратной связью еще больше увеличивает скважность, вплоть до единицы.
Нередко преобразователь, сделанный своими руками, в котором не предусмотрена обратная связь, реагирует на подключение к разряженному аккумулятору снижением выходного напряжения. Поэтому они не очень подходят для питания усилителя или ноутбука, но вполне смогут обеспечить функционирование устройств с реактивной нагрузкой – ручной электроинструмент, лампы, кипятильники.
Выбор схемы
В интернете выложено огромное количество схем устройств, преобразующих энергию автомобильного аккумулятора (12 вольт) в переменное напряжение 220 вольт и пригодных для изготовления своими руками. Поэтому выбирать схему необходимо, ориентируясь на доступ к элементной базе и опыт работы с такими устройствами. Если неподалеку от вас есть магазин радиодеталей, то вы можете узнать у них, какие контроллеры и силовые транзисторы наиболее доступны и уже под них подобрать наиболее подходящую схему. Также можно воспользоваться теми деталями, которые есть в любом блоке питания компьютера. Оттуда вы сможете взять:
- контроллер (ШИМ-генератор);
- ферритовое кольцо для трансформатора;
- силовые транзисторы;
- конденсаторы;
- резисторы;
- фильтрующие дроссели.
Если вы не уверены в том, что сможете своими руками сделать сложное устройство с обратной связью, собирайте инвертор 12 → 220 вольт на основе мультивибратора на 50 герц. Трансформатор для него можно снять со старого транзисторного телевизора или источника бесперебойного питания (UPS). Такой инвертор занимает гораздо больше места, чем высокочастотное устройство, однако он проще в настройке, да и детали для него найти легче.
Пример схемы
Обнаружение неисправностей инвертора
Перечисленные простые схемы имеют две наиболее распространенных неисправности – либо на выходе трансформатора отсутствует напряжение, либо оно слишком мало.
- Первый случай – это либо одновременный отказ обоих плеч преобразователя, что маловероятно, либо отказ ШИМ-генератора. Для проверки воспользуйтесь светодиодным пробником, какой можно приобрести в любом магазине радиодеталей. Если ШИМ работает, на затворах транзисторов Вы увидите наличие сигнала по быстрым пульсациям свечения диода (особенно хорошо это заметно в низкочастотных схемах). При наличии управляющего сигнала проверьте, нет ли обрывов в соединениях трансформатора и целостность его обмотки.
- Большое падение напряжения – это явный признак отказа одного из силовых плеч инвертора. Найти отказавший транзистор можно простейшим образом – его радиатор останется холодным. Замена ключа вернет инвертору работоспособность.
Преобразователь напряжения 12 220 своими руками простая схема 500 ватт
Скачать плату в формате lay. Плата без деталей показана только дорожками.
О диодах: любые, ставил кд 103, кд 521, любые импульсные маломощные. Схема не критична к деталям. Ставилось все, что под руки попадало. Выходные силовые транзисторы, в зависимости от требуемой мощности и применяемого трансформатора от кт 805. кт 827 (кт 817 + кт 819), германиевые П210 до мощных полевых транзисторов. Иногда схему выворачивал под другую полярность, вынуждало отсутствие деталей. Ставились выходные кт 825, а раскачка кт 972 (но в такой схеме нужна была тонкая настройка токов баз, подбор самих транзисторов, очень не устойчив). Обычно схема работала на частоте 50 герц, хотя допускаются перенастройки, делал и на 4 кГц (частоту менять подбором конденсаторов в обвязке микросхемы и применять трансформатор на ферритовых сердечниках).
Трансформатор, это отдельная история. В основном перематывал телевизионные ТС250, ТС270, ТС280 и им подобные с двумя катушками, они просты в разборке. Сматывал все обмотки, оставлял только сетевую, при сматывании определял количество витков на вольт и доматывал проводом 1 — 2 мм в диаметре, в зависимости от мощности (для ТС 280 и 200 ватт мощности брал не тоньше 1.5 медь) для получения напряжения примерно 10.5 -11.5 вольт. Иногда использовал готовые трансформаторы со списанной военной техники ТН-61, ТН-48, один мощностью 180 ватт, второй до 100, иногда их параллелил по 2шт для большей выходной мощности. Выходное напряжение этих трансформаторов — 4х6 вольт, с дополнительными регулировочными отводами как по первичной обмотки так и по вторичной. Соединял вторички (для преобразователя они станут частью первичной обмотки) параллельно — последовательно 2х2 для получения одной обмотки с отводом от средины, регулировочными выводами на первичке (у преобразователя это вторичная, выходная обмотка) добивался большего напряжения, так при раскладке 12х220 на выходе всегда будет 200-210 вольт (по этой причине всегда доматывал трансформаторы на 10.5 — 11 вольт).
В принципе, если напряжения выхода не критично (критично было для питания ламповых телевизоров, при пониженном напряжении падалачувствительность радиотракта и контрастность изображения), то можно использовать и 9-13-ти вольтовые обмотки в любых трансформаторах (чем на ниже напряжения был рассчитан транс, тем более высокое получите на выходе преобразователя), обмотка должна выдерживать ток 8-12 ампер и выше.
Обзор производителей
Различные торговые точки могут предложить довольно широкий ассортимент инверторов-преобразователей напряжения 12-220 В. Инверторы выпускаются в различных странах — большинство из них производится в Китае, но это совсем не значит что они плохого качества. Ведь многие известные бренды из-за высокой конкуренции стремятся снизить себестоимость своей продукции, поэтому и переносят свои производственные мощности на территорию Китая.
Изучая предлагаемые рынком модели можно обратить внимание, что некоторые изделия имеют одинаковые характеристики, но при этом значительно различаются в цене. Связанно это с использованием той или иной радиоэлементной базы
Устройства, соответствующие заявленным характеристикам, собранные на качественной элементной базе и оборудованные необходимой защитой, надёжны в эксплуатации, поэтому стоят дороже.
Наиболее популярными брендами являются:
- Wenchi. Тайваньский производитель радиоэлектронного оборудования. Присутствует на рынке уже более 23 лет. Его продукция сертифицирована во многих странах мира, включая Россию. Компания имеет свою лабораторию, в которой проводится испытание приборов и внедрение в их работу новых технологий. Спросом пользуются модели INS-1000W-12 и INS-200W-12.
- Mean Well. Ведущий разработчик импульсных блоков питания. Фирма постоянно модернизирует и расширяет ассортимент своей продукции. Хорошие технические характеристики и демократичная цена позволяют каждому покупателю выбрать оптимальное оборудование этой марки. Популярными моделями являются: A301−2K5-F3 PBF, A301−150-F3, TN-1500−212B.
- Gembird. Основанная в Голландии в 1997 году компания стала лидером в производстве компьютерной периферии источников питания. Хотя цех по производству инверторов находится в Китае, продукция проходит тщательный контроль и соответствует международным стандартам. Сервисные центры фирмы расположены во многих странах, что позволяет довольно быстро получить качественную помощь. Потребители часто выбирают инверторы серии Gembird I.
- Robiton. Российская компания, специализирующая на производстве элементов питания. Её продукция соответствует требованиям безопасности Европейского союза. На все свои изделия фирма предоставляет три года гарантии. Повышенным спросом пользуются модели R300 и R500.
Схема управления
И если подключение частотного преобразователя к электродвигателю выполнить просто, достаточно только соединить соответствующие выводы, то со схемой управления все куда сложнее. Все дело в том, что возникает необходимость в программировании устройства, чтобы добиться максимально возможных регулировок от него. В основе находится микроконтроллер, к нему производится подключение считывающих устройств и исполнительных. Так, необходимо наличие трансформаторов тока, которые будут постоянно следить за мощностью, потребляемой электроприводом. И в случае превышения должно произойти отключение частотника.
Усовершенствования схем инверторов
Приведенные в статье устройства крайне просты и по ряду функций не могут сравниться с заводскими аналогами. Для улучшения их характеристик можно прибегнуть к несложным переделкам, которые к тому же позволят лучше понять принципы работы импульсных преобразователей.
Увеличение выходной мощности
Все описанные устройства работают по одному принципу: через ключевой элемент (выходной транзистор плеча) первичная обмотка трансформатора соединяется с входом питания на время, заданное частотой и скважностью задающего генератора. При этом генерируются импульсы магнитного поля, возбуждающие во вторичной обмотке трансформатора синфазные импульсы с напряжением, равным напряжению в первичной обмотке, умноженному на отношение числа витков в обмотках. Следовательно, ток, протекающий через выходной транзистор, равен току нагрузки, помноженному на обратное соотношение витков (коэффициент трансформации)
Именно максимальный ток, который может пропускать через себя транзистор, и определяет максимальную мощность преобразователя
Следовательно, ток, протекающий через выходной транзистор, равен току нагрузки, помноженному на обратное соотношение витков (коэффициент трансформации). Именно максимальный ток, который может пропускать через себя транзистор, и определяет максимальную мощность преобразователя.
Существуют два способа увеличения мощности инвертора: либо применить более мощный транзистор, либо применить параллельное включение нескольких менее мощных транзисторов в одном плече. Для самодельного преобразователя второй способ предпочтительнее, так как позволяет не только применить более дешевые детали, но и сохраняет работоспособность преобразователя при отказе одного из транзисторов. В отсутствие встроенной защиты от перегрузок такое решение значительно повысит надежность самодельного прибора. Уменьшится и нагрев транзисторов при их работе на прежней нагрузке.
На примере последней схемы это будет выглядеть так:
Автоматическое отключение при разряде аккумулятора
Отсутствие в схеме преобразователя устройства, автоматически отключающего его при критическом падении напряжения питания, может серьезно подвести Вас, если оставить такой инвертор подключенным к аккумулятору автомобиля. Дополнить самодельный инвертор автоматическим контролем будет крайне полезно.
Простейший автоматический выключатель нагрузки можно сделать из автомобильного реле:
Как известно, каждое реле имеет определенное напряжение, при котором замыкаются его контакты. Подбором сопротивления резистора R1 (оно будет составлять около 10% от сопротивления обмотки реле) настраивается момент, когда реле разорвет контакты и прекратит подачу тока на инвертор.
ПРИМЕР: Возьмем реле с напряжением срабатывания (Uр) 9 вольт и сопротивлением обмотки (Rо) 330 ом. Чтобы оно срабатывало при напряжении выше 11 вольт (Umin) , последовательно с обмоткой нужно включить резистор с сопротивлением Rн, рассчитываемым из условия равенства Uр/Rо=(Umin—Uр)/Rн. В нашем случае потребуется резистор на 73 ома, ближайший стандартный номинал – 68 ом.
Конечно, это устройство крайне примитивно и является скорее разминкой для ума. Для более стабильной работы его нужно дополнить несложной схемой управления, которая поддерживает порог отключения гораздо точнее:
Регулировка порога срабатывания осуществляется подбором резистора R3.
Предлагаем посмотреть видео по теме
Источники тока

В качестве источника питания обычно выступает основной аккумулятор автомобиля. Мне часто приходится общаться с автоэлектриками и иногда заниматься диагностикой бортовой электроники транспорта специальными диагностическими приборами.
Рекомендую для питания преобразователя тока использовать отдельную батарею на 12v. Частенько забывают отключить сам инвертор или нагрузку от него, и он полностью высаживает основной аккумулятор авто под капотом. Высаживает очень сильно, потом завести двигатель очень сложно, когда нечем прикурить.

Емкость любой батареи вы может посчитать самостоятельно. Покажу пример на хорошей отечественной модели «Зверь» от АкТех.
- номинальная ёмкость 55 Ампер часов;
- максимальный ток 500А, влияет на отдачу тока стартеру при запуске двигателя;
- номинальной напряжение 12В.
- запас энергии полностью заряженного 12В * 55Ач = 660вт
Знаю мощность вашего источника, вы можете рассчитать примерное время работы. Только не надо сильно высаживать ниже 11В, иначе это сильно сократит срок его службы. Храните батарею только в заряженном состоянии.
Для питания повышающего преобразователя аккумулятору не нужны такие характеристики, как высокий пусковой ток и устойчивая работа при низких температурах. Это поможет вам сэкономить денежку и взять ёмкость побольше. Отличные параметры потребуются только для эксплуатации в отдаленных районах крайнего севера, когда при низкой температуре ёмкость и ток снижаются.

Многие из вас знают, что по «Закону и защите прав потребителей» некоторые товары можно вернуть обратно в течение 14 дней если вам не понравился цвет, форма или сила тока. Ко мне обращаются с вопросом, можно ли купить аккум, попользоваться им неделю на даче и потом вернуть обратно в магазин с возвратом денежки. Получить денежку обратно по закону получится только в том случае, если не будет возможности обменять на аналогичный товар.
Детали схемы преобразователя 12 – 220 вольт
Обмотка дросселя L1 выполнена на ферритовом кольце имеющее диаметр 28мм. Она намотана проводом ПЭЛ-2 0,6мм одним слоем до полного заполнения кольца. Трансформатор Т1 представляет из себя сетевой трансформатор на 220 вольт (мощностью не менее 100Вт) у которого две вторичные обмотки по 9В каждая.
Следует обратить внимание, что низковольтную часть автомобильного преобразователя можно выполнить на печатной плате, а высоковольтную (транзисторы, трансформатор, цепь питания, дроссель, стабилитроны) обязательно объемным монтажом (проводами достаточного сечения). Интегральную микросхему СD4001 можно поменять на К561ЛЕ5, а СD4013 применить отечественный аналог К561ТМ2
Какое освещение Вы предпочитаете
ВстроенноеЛюстра
Стабилитрон VD1 на напряжение от 5…7 вольт, может быть Д814А, КС156, КС168. Стабилитроны VD2 и VD3 большой мощности BZX85-33V или КС533. Конденсатор C4 на напряжение не ниже 100В, остальные могут быть на 15 вольт.
При рабочих деталях и верном монтаже автомобильный преобразователь не требует настройки. Можно лишь подстроить резистором R1 частоту выходного переменного тока.
Преимущества работы устройства для преобразования напряжения
Схема повышающего преобразователя напряжения.
Инверторы завоевали уважительное отношение к своей работе, т. к. обладают целым рядом несомненных достоинств. Устройство работает бесшумно, не засоряет окружающее пространство выхлопными газами. Обслуживание прибора минимально: нет необходимости проверять давление в двигателе. Инвертор обладает незначительным механическим износом, позволяет подключать любых потребителей. Инвертор 12 220 В работает на повышенной мощности на КР121 ЕУ, обладает высоким коэффициентом полезного действия.
При сборке инвертора с задающим устройством в качестве мультивибратора, достоинства преобразователя выражены в доступности, простоте прибора. Размеры изделия компактны, ремонт не представляет большого труда, а эксплуатация возможна при низких температурах.
Преобразователь с выходом переменного тока
Это один из простых преобразователей 12/220 В, схема которого рекомендуется к повторению начинающим радиолюбителям. Эта конструкция собирается полностью на отечественной элементной базе, которая является относительно устаревшей. Но все равно эффективность у нее достаточно высокая – на выходе получается напряжение с практически идеальным синусом, а частота четко 50 Гц. Поэтому такая схема сгодится для питания любой бытовой аппаратуры, а не только паяльника и ламп.
Генератор собирается на микросхеме марки К561ТМ2 – это D-триггер сдвоенного типа. Существует зарубежный аналог с маркировкой CD4013 – эти микросхемы взаимозаменяемы, и переделка схемы не требуется.
На биполярных транзисторах собраны два плеча. В схеме используются транзисторы КТ827А, которые имеют существенный недостаток в сравнении с более современными полевиками. У них очень высокое сопротивление, когда происходит открытие перехода. Именно поэтому они сильнее нагреваются при работе.
Делаем инвертор сами
Самостоятельное изготовление инвертора, при наличии в магазинах качественной и недорогой продукции – дело людей увлеченных конструированием и одержимых экспериментами.
Большинство самоделок автомобильных преобразователей напряжения монтируются на базе вышедших из строя телевизоров микроволновых печей и прочих старых бытовых приборов и трансформаторов автомобилей.
В интернете можно найти десятки схем самодельных инверторов, например, такую:
Рисунок 1
Схема инвертора 12 – 220 вольт
Собрать инвертор 12-220, дело это хлопотное. Требует основательных навыков и познаний в электротехнике. Занимает довольно много времени на наладку полученного прибора.
Корпус для инвертора
Первое, что нужно учесть — потери преобразования электричества, выделяющиеся в виде тепла на ключах схемы. В среднем эта величина составляет 2–5% от номинальной мощности устройства, но показатель этот имеет свойство расти из-за неправильного подбора или старения комплектующих.
Отвод тепла от полупроводниковых элементов имеет ключевое значение: транзисторы очень чувствительны к перегреву и выражается это в быстрой деградации последних и, вероятно, их полному отказу. По этой причине основанием для корпуса должен служить теплоотвод — алюминиевый радиатор.
Из радиаторных профилей хорошо подойдёт обычная «расчёска» шириной 80–120 мм и длиной около 300–400 мм. к плоской части профиля винтами крепятся экраны полевых транзисторов — металлические пятачки на их задней поверхности. Но и с этим не всё просто: электрического контакта между экранами всех транзисторов схемы быть не должно, поэтому радиатор и крепления изолируются слюдяными плёнками и картонными шайбами, при этом по обе стороны диэлектрической прокладки металлсодержащей пастой наносится термоинтерфейс .




































