Проект R 502
Проекты одноэтажных домов до 100 кв. м. разрабатываются специализированными проектно-строительными организациями в огромном разнообразии. Поэтому выбрать для себя здание в соответствии с собственным вкусом абсолютно не сложно. Следовательно, вряд ли стоит увеличивать общие затраты на строительство, оформляя заказ на разработку индивидуального проекта. Небольшой, но очень уютный одноэтажный дом можно построить по данному проекту, стоимость которого составляет 24400 руб.
Для строительства данного загородного дома могут использоваться различные материалы, в зависимости от финансовых возможностей заказчика и климатической зоны. Очень быстро такой дом можно построить из пеноблоков. На фото видно, что в доме нет гаража и цокольного этажа. Поэтому такое строение рекомендуется использовать в качестве дачного дома, который можно построить даже на небольшом земельном участке.
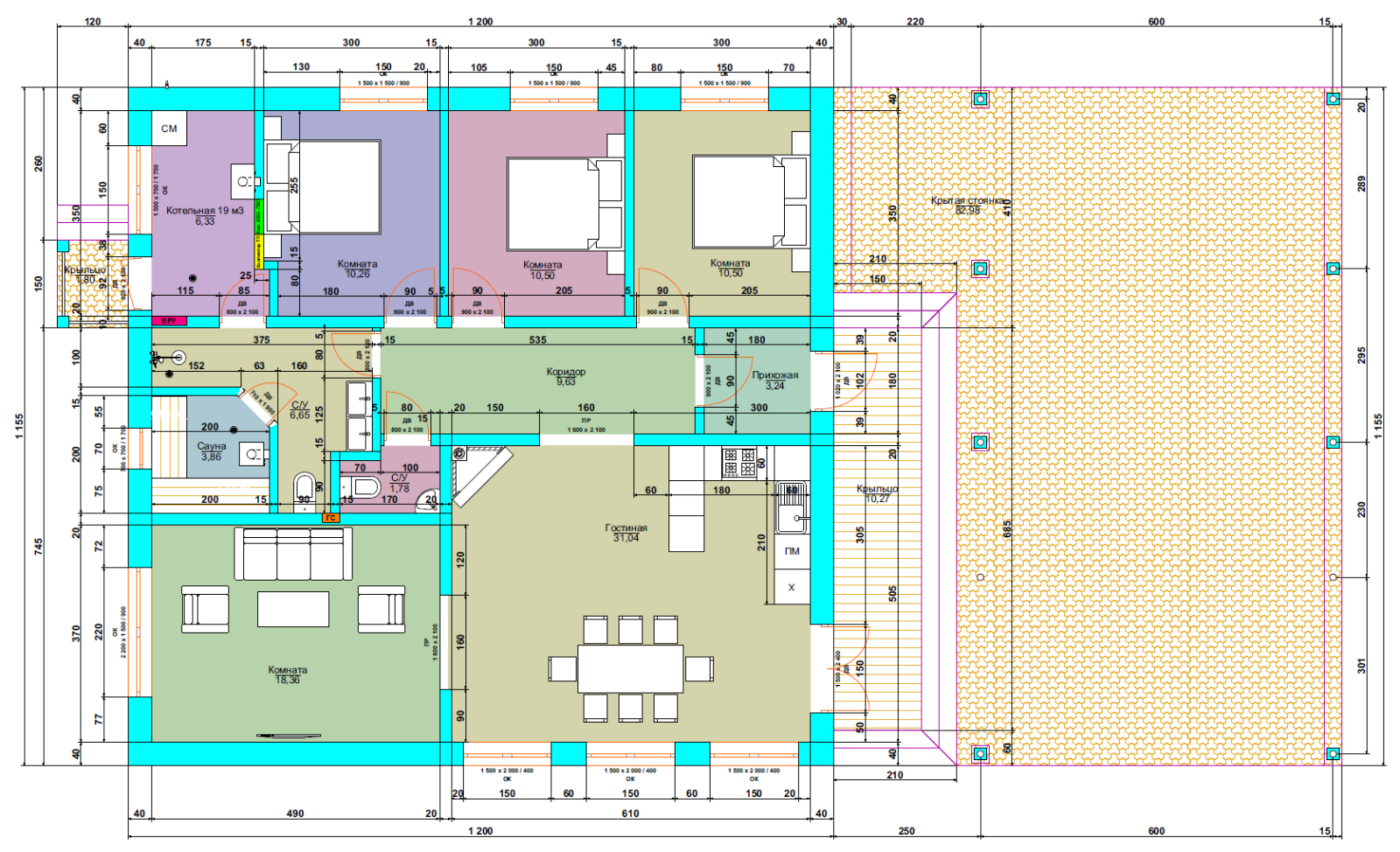
Основные параметры дома, следующие:
- Общая площадь: 90 кв. м.
- Габаритные размеры: 10х12 м.
Рациональная планировка помещений позволяет комфортно разместиться семье из трех человек.
На первом этаже располагаются:
- Две спальных комнаты площадью 14,4 кв. м. и 12,9 кв. м.
- Два санузла площадью 4,1 кв. м. и 5,7 кв. м. Второе помещение расположено рядом со спальными комнатами и в нем предусмотрено место для размещения ванны.
- Большая гостиная, совмещенная с кухней-столовой, условное зонирование позволяет получить две зоны:
- зоны отдыха площадью 31,9 кв. м.;
- обеденно-кухонной зоны площадью 8,9 кв. м.
На плане внизу приведено возможное размещение мебели, бытовых приборов и сантехнических устройств.
Заказать проект дома R 502 или выбрать другие подходящие варианты можно на сайте http://ruplans.ru/proekti/proekti_502.html.
Минусы двухэтажного дома
В основном они возникают из-за конструктивных особенностей домов со вторым этажом.
Первое — это в любом случае уменьшение полезной площади первого этажа из-за лестницы. Она не только займет какое-то пространство, но еще и будет стоить денег.
Второе. Чтобы второй этаж был полностью функциональным, там нужно будет строить второй санузел. Иметь второй этаж только для игровых комнат — неправильно
При строительстве загородного дома важно позаботиться обо всех удобствах. Согласитесь, что, если вы захотите сходить ночью в туалет, то шагать через весь дом и спускаться в темноте по лестнице не очень удобно. Да, у нас есть варианты двухэтажных домов (как правило, небольших по площади), с одним санузлом на первом этаже
Пример — дом по проекту S-135. Однако, насколько это удобно — решать вам
Да, у нас есть варианты двухэтажных домов (как правило, небольших по площади), с одним санузлом на первом этаже. Пример — дом по проекту S-135. Однако, насколько это удобно — решать вам.

Третье. Если зимой на втором этаже будет теплее, то летом вы не сможете выжить там без кондиционера. Это еще дополнительные расходы.
Четвертое. Наверное, это самое важное. Ваша жизнь в 90% случаях будет протекать на первом этаже. Второй этаж будет эксплуатироваться только ночью или в случае, если у вас есть ребенок, для которого целый этаж может стать полноценным домом
Второй этаж будет эксплуатироваться только ночью или в случае, если у вас есть ребенок, для которого целый этаж может стать полноценным домом.
Мнение одного из наших заказчиков:
Читайте полностью: «Мой четырнадцатый дом, но первый — из дерева». Владелец — о жизни в доме из кругляка.
Многослойный строительный пирог стены
Стену каркасного дома называют «пирогом» утепления. Каркасная стена имеет как минимум, 4 слоя — облицовку, отделку, изоляцию, утепление. Каждый слой каркасной стены выполняет свои определённые функции.

Три основных слоя — утеплитель, внутренняя и наружная стеновая облицовка. Дополнительные слои – внутренняя и наружная отделка, ветрозащита, пароизоляция, те материалы, которые обеспечивают функциональность основных слоёв стены.
Как обустраивают стену каркасника
Укладывают утеплитель. В качестве теплоизолирующей прослойки используют плиты из минеральной ваты. Их укладывают между стойками каркаса, слегка сжимая.
Далее навешивают пароизоляцию и мембранную плёнку, гладкую с одной стороны и шершавую с другой. Гладкая сторона мембранной пленки — отталкивает влагу и воду, шершавая – проводит. Пароизоляция в каркасном доме необходима для защиты минваты от влаги. Её укладывают с внутренней стороны стены, шершавой стороной — к утепляющему слою. Крепят скобами к каркасу.
На заметкуВажно не допускать конденсации влаги внутри ватного утеплителя. При намокании он теряет свои свойства на 60%
При этом стена промерзает, а доски каркаса – покрываются плесенью и гнилью.
С наружной стороны выполняют монтаж обрешётки. Это – планки, которые увеличивают расстояние между утеплителем и наружной стеной, и этим образуют воздушную прослойку – так называемый вентиляционный зазор для выведения влаги из утеплителя.
На заметкуОбрешётку можно не монтировать, если в качестве стоек каркаса используются доски шириной больше, чем толщина утеплителя. В таком случае между утепляющим слоем и наружной стеной будет воздушный зазор без монтажа обрешётки.
С наружной стороны – монтаж стеновых панелей из пластикового сайдинга, OSB, металлопрофиля.
С внутренней стороны — монтаж панелей внутренних стен — вагонкой, гипсокартоном, OSB, МДФ. Выбор стеновых панелей определяется условиями эксплуатации помещения и будущей отделкой. Под обои и покраску необходим гипсокартон. Для оштукатуривания – подходят гипсовые плиты и ОСБ. А вот МДФ сам по себе является внутренней стеной и отделкой одновременно.
Недорогие одноэтажные каркасные дома будет проще и быстрее купить. Зато построить каркасный дом для постоянного проживания – задача для настоящего творческого человека.

Проекты одноэтажных каркасных домов
В этом разделе вы найдете проекты одноэтажных каркасных домов для строительства своими руками с нуля до чистовой отделки. Наши проекты адаптированы под самостоятельное строительство непрофессионалами, и под размеры материалов из магазина!
Покупая у нас проект каркасного дома, вы получаете не просто набор документов и сложных чертежей, вы получаете подробную пошаговую инструкцию по технологии сборки и строительству, а также устройству инженерных коммуникаций (прокладке и подключению электрики, сантехники и вентиляции).
Чтобы строить по нашим проектам необязательно быть строителем, достаточно уметь держать в руках молоток!
Проекты каркасных домов до 50 кв.м.
Проект КД-14 Одноэтажный каркасный дом 5х6 30м 2 : высота потолков 2,4м. Цена дома 235 тыс.руб. — в цену входит утепление 150мм и отделка. Цена проекта 8 400 руб.

Проект КД-16 Одноэтажный каркасный дом 4х5 20м 2 : высота потолков 2,3м/2,5м. Цена дома 160 тыс.руб. — в цену входит утепление 100мм и отделка. Цена проекта 5 000 руб.

Проект КД-56 Каркасный дом 5х6м, 30м 2 : высота потолков 2,4м. Цена дома 97 тыс.руб. — в цену входит утепление 100мм и отделка. Цена проекта 6 500 руб.

Проект КД-63 Одноэтажный каркасный дом 6х6 24(36)м 2 : высота потолков 2,4-3,4м. Цена дома 226 тыс.руб. — в цену входит утепление 100мм и отделка. Цена проекта 8 300 руб.

Проект КД-31 Одноэтажный каркасный дом 6х6 36м 2 : высота потолков 2,5м/2,7м. Цена дома 252 тыс.руб. — в цену входит утепление 100мм и отделка. Цена проекта 8 700 руб.

Проект КД-32 Одноэтажный каркасный дом 6х7 42м 2 : высота потолков 2,5м/2,7м. Цена дома 305 тыс.руб. — в цену входит утепление 100мм и отделка. Цена проекта 9 700 руб.

Проекты каркасных домов 50-100 кв.м.
Проект КД-3 (у дома 3 варианта планировки помещений) Одноэтажный каркасный дом 7,5х12м 90м 2 : высота потолков 2,7м/2,9м. Цена дома 465 тыс.руб. — в цену входит утепление 150мм и отделка. Цена проекта 8 500 руб.

Проект КД-33 (у дома 3 варианта планировки помещений) Одноэтажный каркасный дом 7,5х12м 75м 2 : высота потолков 2,7м/2,9м. Цена дома 446 тыс.руб. — в цену входит утепление 200мм и отделка. Цена проекта 9 500 руб.

Проект КД-34 Одноэтажный каркасный дом 7,5х10,5м 78м 2 : высота потолков 2,7м/2,9м. Цена дома 548 тыс.руб. — в цену входит утепление 200мм и отделка. Цена проекта 10 900 руб.

Проект КД-35 Одноэтажный каркасный дом 8(9,5)х10,6 91(98)м 2 : высота потолков 2,7м/2,9м. Цена дома 583 тыс.руб. — в цену входит утепление 150мм и отделка. Цена проекта 11 500 руб.

Проект КД-37 Одноэтажный каркасный дом 6(8,5)х10,6 68(90)м 2 : высота потолков 2,5м. Цена дома 458 тыс.руб. — в цену входит утепление 150мм и отделка. Цена проекта 11 700 руб.

Проект КД-38 Одноэтажный каркасный дом 6(7,5)х10 66м 2 : высота потолков 2,44м. Цена дома 469 тыс.руб. — в цену входит утепление 150мм и отделка. Цена проекта 10 600 руб.

Проект КД-42 Одноэтажный каркасный дом 8х9,2 73м 2 : высота потолков 2,74м/2,94м. Цена дома 466 тыс.руб. — в цену входит утепление 200мм и отделка. Цена проекта 9 800 руб.

Проект КД-47 Одноэтажный каркасный дом 8х12 96м 2 : высота потолков 2,7м/2,9м. Цена дома 645 тыс.руб. — в цену входит утепление 200мм и отделка. Цена проекта 14 000 руб.

Проект КД-65 Одноэтажный каркасный дом 6,5х10 65-85м 2 : высота потолков 2,6м-4,8м. Цена дома 507 тыс.руб. — в цену входит утепление 150мм и отделка. Цена проекта 8 900 руб.

Проект КД-68 Одноэтажный каркасный дом 8х9,3м 74м 2 : высота потолков 1,9-3,1м. Цена дома 457 тыс.руб. — в цену входит утепление 150мм и отделка. Цена проекта 14 400 руб.

Проект КД-421 Одноэтажный каркасный дом 8х9,2 73м 2 : высота потолков 2,7 или 2,9м. Цена дома 510 тыс.руб. — в цену входит утепление 200мм и отделка. Цена проекта 11 400 руб.

Проекты каркасных домов 100-150 кв.м.
Проект КД-4 Одноэтажный каркасный дом 10х13м 126м 2 : высота потолков 2,8м/3м. Цена дома 727 тыс.руб. — в цену входит утепление 200мм и отделка. Цена проекта 10 500 руб.

Проект КД-44 Одноэтажный каркасный дом 9х12м 108м 2 : высота потолков 2,8м. Цена дома 736 тыс.руб. — в цену входит утепление 200мм и отделка. Цена проекта 14 200 руб.

Проект КД-45 Одноэтажный каркасный дом 9х12м 108м 2 : высота потолков 2,8м/3м. Цена дома 690 тыс.руб. — в цену входит утепление 200мм и отделка. Цена проекта 14 000 руб.

Проект КД-451 Одноэтажный каркасный дом 9х12м 108+20м 2 : высота потолков 2,8м/3м. Цена дома 712 тыс.руб. — в цену входит утепление 200мм и отделка. Цена проекта 14 300 руб.

Проекты каркасных домов 150-200 кв.м.
Проект КД-43 Одноэтажный каркасный дом 10х16,7 162м 2 : высота потолков 2,6м/2,8м. Цена дома 950 тыс.руб. — в цену входит утепление 200мм и отделка. Цена проекта 14 700 руб.
Готовый дизайн-проект дома содержит фотографии и всю техническую документацию
Каждый проект, независимо от предусмотренной площади, содержит все необходимые документы, выполненные в соответствии с нормативами Республики Беларусь. Срок подготовки проекта составляет всего 1-2 дня. За это время мы предоставим Вам полный пакет документов, позволяющий получить разрешительную документацию на строительство.
В описании каждого проекта размещены фото домов площадью до 100 м2, которые позволяют составить предварительное мнение о внешнем виде строения. При необходимости наши архитекторы произведут корректировки в выбранном Вами проекте. Подробнее об этом читайте на странице Адаптация проекта.
Загородный коттедж 60 кв. м
Средний размер дома помогает поместить внутрь достаточное количество мебельного гарнитура. Такая обстановка поможет удачно разместиться одной большой семье. Здесь допускается расположить не только взрослую спальню и гостиную, но еще и нескольких детских комнат. Актуально для многодетных семей.
Планировка дома, в площадь которой входит терраса Источник d-brusovoi.ru
Планировка дома с небольшой мансардой под крышей Источник srubdomabani.ru
Гостиную в таком доме можно сделать большую на весь холл. С нее делаются выходы в другие помещения. Если комната получается слишком большой, ее можно визуально разделить на функциональные зоны. Тамбур, санузел и кухню в подобных помещениях распределяют в одной части дома, а остальную оставляют для жилых комнат.
В доме с обустройством дополнительного этажа в чердачном помещении можно сделать две спальни на первом этаже и санузел. Лестница в таких сооружениях чаще всего обустраивается именно в прихожей или холле.
Типовой или индивидуальный проект одноэтажного дома до 200 кв.м – что лучше?
Изначально определите, какая планировка будущего дома будет использоваться при его возведении: типовая или индивидуальная. В первом случае используются стандартные, шаблонные варианты. Они способствуют экономии времени и денег. Такие планы не составляются в соответствии с требованиями заказчиков, но готовые проекты всегда могут видоизменяться с учетом нужд будущих хозяев. Преимущество индивидуального проектирования – возможность создания уникального архитектурного сооружения с учетом планировки, дизайна, цветов, эргономичности. План должен учитывать любую мелочь.
Если сложно найти готовый план, где для каждой спальни будет выделяться отдельная ванная комната, Вы можете поручить создание такого решения специалистам. Для реализации задачи не будет никаких препятствий.
На практике, востребованы одноэтажные постройки с площадью до 200 квадратных метров. Если нужно, готовый план дополняется или изменяется
Важно помнить, что при создании плана учитываются особенности участка, ландшафта, поэтому внесение дополнений в готовый шаблон – обязательная процедура. Взвесив все «за и против» использования обоих вариантов планов, нужно выбрать решение, соответствующее Вашему бюджету и ожиданиям
В отдельных случаях проще создать индивидуальный эскиз, чем корректировать уже имеющийся проект.
Способы экономии
Нынешние цены на стройматериалы привели к тому, что даже ремонт дома может вскоре приобрести статус «дорого». Строительство настоящего загородного дома в этих условиях кажется безнадежным занятием, но специалисты уверяют, что построить загородный дом для обычных людей все же возможно.
Первый вариант, который поможет сэкономить, касается характеристик выбранного проекта. Такой план нужно рассчитывать рационально и практично
В этом случае помните, что архитекторам важно представить вам проект, но никак не снизить ваши затраты. В большинстве случаев специалисты предлагают красивые большие здания с яркими фасадами, и многих очаровывает дизайнерский образ
Но наша работа — построить более дешевый дом.
Качественный и недорогой дом не должен быть таким:
- Слишком маленьким, прежде всего, дом должен соответствовать вашим потребностям.
- Быть неудобным.
- Дом не обязательно должен быть из плохого сырья. Для строительных работ можно приобрести недорогие, но качественные материалы.
Сегодня много бюджетных проектов:
- Можно сделать план этажа прямоугольной формы с двускатной крышей;
- Постройте одноэтажное здание без дорогих потолков, большого количества окон и лестниц. Такая схема сэкономит много денег.
- Строить дом можно без подвала или цоколя, этот стандарт экономит в среднем около 30% затрат.
- Можно исключить создание на фасаде необычных и оригинальных элементов, например, арок, эркеров, колонн.
- Декорируйте стены простейшими способами.
- Оштукатурить фасад следует цементно-известковой смесью.
ПРОЕКТ «СЕМЕЙНЫЙ»
Это достаточно простой и компактный дом, который отлично подойдет даже для большой семьи – внутреннее пространство организовано так, что всем будет максимально комфортно:
- в доме четко выделены две зоны, ночная и дневная, поэтому гости не будут вторгаться в личное пространство жильцов;
- в трех спальнях достаточно места для размещения 3-6 жильцов;
- один из санузлов расположен близко ко всем трем спальням;
- большая гостиная с камином вместит всех многочисленных домочадцев и гостей, а на террасе, куда можно попасть прямиком из гостиной, можно будет устраивать вечеринки или семейные посиделки;
- кухня примыкает к гостиной, но при желании ее можно изолировать;
- в дневной зоне есть еще один санузел с прачечной;
- общая площадь дома – 98,6 кв.м.
Сколько стоит дом площадью 100 м2?
На этот вопрос нет однозначного ответа. На цену влияет выбор каждой составляющей: архитектурного проекта, технологии возведения, строительных и отделочных материалов, квалификации рабочих, региона, где ведётся строительство, удалённости от города, времени, которое отводится на сооружение здания и пр. Известно, что в Московской области стоимость газобетонного дома «под ключ» обходится в сумму не менее 50000 руб./м2.
Чтобы получить более точное представление о расходах, возьмём три авторских проекта домов из газобетона от YTONG, различающихся по площади:
· 55 м2 – «Бонн», 1 этаж
· 99 м2 – «Клаусдорф», 1 этаж
· 150,7 м2 – «Марбург compact», 2 этажа
Рассчитаем затраты на материалы для стен и внутренних перегородок, чтобы понять, в какую сумму обходится увеличение площади примерно на 50 м2. Все материалы производства YTONG.
Итак, дом 55 м2. Понадобятся блоки D400 толщиной 500 мм (18,2 м3) и 250 мм (7 м3) для наружных стен и блоки D500 толщиной 150 мм (8,4 м3) для внутренних. Плюс клей для тонкошовной укладки блоков – 31 мешок по 25 кг. Если покупать у официального дистрибьютера YTONG, то все материалы обойдутся в сумму около 171 000 руб.
Дом 99 м2. Наружные стены: блоки D400 толщиной 375 мм (43,5 м3). Внутренние стены и перегородки – блоки D500 толщиной 250 мм (6,5 м3), 100 мм (4,6 м3). U-блоки, опалубка железобетонного пояса, – 246 шт. Клей для тонкошовной кладки – 80 мешков по 25 кг. Общая стоимость материалов – около 373 000 руб.
Дом 150,7 м2. Наружные стены: блоки D400 толщиной 375 мм (75,9 м3). Внутренние стены и перегородки: блоки D500 толщиной 250 мм (6,1 м3), 150 мм (5,3 м3), 100 мм (7,7 м3), 50 мм (1,8 м3). Клей для тонкошовной кладки – 97 мешков по 25 кг. U-блоки, опалубка железобетонного пояса, – 65 шт. Поскольку дом двухэтажный, требуется перекрытие. Считаем сборно-монолитное перекрытие с готовыми балками (22 шт.) и заполнением из Т-блоков (373 шт.). Общая стоимость материалов – около 680 000 руб.
YTONG предоставляет свои авторские проекты бесплатно при покупке блоков YTONG в объёме, необходимом для строительства дома
Планировка одноэтажного дома
Стандартная планировка одноэтажного дома до 100 м2, включает в себя следующие помещения:
- прихожая или тамбур – является обязательным помещением, поскольку защищает от проникновения в дом холода во время открытия дверей;
- детская комната – она одновременно может быть как местом для сна и игр, так и местом для выполнения уроков, для этого нужно только установить необходимую мебель;
- гостиная – это место, где ежедневно будут собираться все члены семьи, поэтому представленная комната должна иметь довольно большие размеры, около 20 кв. м, и качественное освещение;
- котельная – представленное помещение необходимо в тех случаях, когда отопление дома в 100 м2, осуществляется благодаря работе газового, электрического или древесного котла;
- спальные комнаты – для родителей и детей (желательно, чтобы у каждого ребенка была собственная комната, в особенности, если дети разных полов);
- санузел – ванную и унитаз можно разместить как в одной комнате, так и раздельно.
Площадь каждого из помещений и их расположение могут разниться в зависимости от требования жильцов
Но особое внимание нужно уделить тому, чтобы спальные комнаты не размещались на проходе и содержали в себе такое количество осветительных приборов, чтобы в помещении было комфортно находиться
Читайте здесь! Дом 120 кв. м. — примеры идеальной планировки. Современные проекты частных домов из разных материалов (125 фото новинок)
План одноэтажного дома: достоинства и недостатки
Строительные работы по возведению одноэтажного здания отличаются массой преимуществ, ведь построить дом с одним этажом гораздо быстрее и легче, чем с двумя и более.
Этот тип застройки открывает широкие возможности для разработки дизайна, его исполнения, а также обеспечивает надежность и безопасность готового здания. Но одноэтажные коттеджи не смогут решить проблему с застройкой загородных участков, владельцы которых имеют большие семьи
В этом случае стоит обратить внимание на двух- и трехэтажные сооружения
Вариант планировки одноэтажного дома с маленькой площадью
Одноэтажные постройки популярны не только благодаря небольшим габаритам и низким затратам на строительство. Они отлично вписываются в природный ландшафт. Тем не менее над распределением внутренних площадей следует задуматься, так как здание в итоге должно полностью отвечать потребностям всех жильцов. Для этого стоит ознакомиться с фото, планами одноэтажных домов, а также их характеристиками. Это позволит вам создать более полную картину понимания того, как разрабатываются проекты зданий.
Достоинства проектов с одним этажом
Как и любой тип постройки, одноэтажное сооружение обладает и преимуществами, и недостатками. Оптимальным считается тот вариант, который располагает большим количеством достоинств, чем минусов.
Достоинства проектов с малой этажностью:
фундаментное основание является важнейшей частью дома. При этом стоимость его строительства очень высока в сравнении с расценками на оставшиеся виды работ. В большинстве случаев одноэтажные постройки имеют упрощенный вариант фундамента. Такое основание не рассчитано выдерживать вес нескольких этажей, поэтому может иметь простое исполнение и облегченную конструкцию. Что, в свою очередь, не налагает ограничений в отношении типа грунта на территории, отведенной под застройку;
Одноэтажный дом со спальными комнатами в мансарде
- при строительстве стен можно существенно сэкономить, поскольку их конструкции не требуют дополнительного усиления, так как отсутствует второй этаж. Выбор строительных материалов в этом случае также практически ничем не ограничивается;
- инженерия в одноэтажных зданиях очень проста. Нет необходимости выполнять сложную разводку коммуникаций, системы отопления и пр. с расчетом на особые эксплуатационные условия дома. Как это бывает, например, с домами, где есть такой архитектурный элемент, как второй свет или же имеется много этажей. Монтажные работы максимально упрощены и обходятся очень дешево;
- благодаря простой конструкции строительство дома не требует больших затрат, а все работы производятся в кратчайшие сроки;
3D-проект одноэтажного дома с мансардой и гаражом
проекты с одним этажом не включают в себя наличие лестничной конструкции, за исключением планировок с мансардой. Это позволяет отказаться от возведения дорогостоящей и сложной лестницы, более рационально распорядившись внутренними жилыми площадями.
Недостатки одноэтажных зданий и особенности организации пространства
Одноэтажные постройки имеют и недостатки, которых не так уж и много:
сооружения с большой площадью и одним этажом создают значительные трудности на этапе проектирования. В таких условиях при составлении планировки нужно следить за тем, чтобы проходных комнат было как можно меньше. Особенно это требование касается комнат отдыха – спален, гостевых и детских. От этого будет зависеть комфорт нахождения в них;
Планировка одноэтажного дома площадью 150 кв м, рассчитанного на проживание большой семьи
- постройки с одним этажом и большими габаритами требуют значительных затрат на этапе организации крыши. Впоследствии кровля с такими габаритами будет чаще нуждаться в проведении планового ремонта и обновления, который станет причиной новых затрат;
- здания с маленькими габаритами ограничивают размеры внутренних помещений. На этапе проектирования придется создавать такую планировку, которая будет одновременно отвечать потребностям всех жильцов и соответствовать нормативам строительства и санитарии.
Терраса с зоной отдыха, пристроенная к одноэтажному дому
Из чего построить
Разные строительные материалы предполагают разную стоимость и сроки строительства дома. Популярные материалы для строительства: кирпич, газобетонные блоки, деревянный брус.

Дом из кирпича долговечен и выглядит представительно. Кирпичная кладка не разрушается от резких перепадов температуры наружного воздуха, не поддерживает распространение огня, ей не страшны гниение и плесень. Фасады из кирпича красивы за счёт архитектурных деталей – поясов, карнизов, рустов. Облицовочный кирпич разного цвета и фактуры помогает сделать облик дома выразительнее.

Крупноразмерные газобетонные блоки позволяют возвести дом очень быстро – за один сезон. Преимущества газобетона: лёгкость, прочность, огнестойкость, малая теплопроводность, стойкость к биологическому воздействию. При этом его нельзя сильно нагружать, поэтому он используется только для частных домов. Желательно сразу облицевать фасад. Пористый материал хорошо вбирает влагу, поэтому возможно его разрушение.
Дома из бруса экологичны и комфортны для проживания. Они хорошо сохраняют тепло зимой, а летом в них достаточно прохладно. Красивая фактура дерева не требует дополнительной отделки. При этом брус надо периодически обрабатывать специальными составами, предотвращающими распространение огня. Чтобы стены не заражались грибком и не подвергались гниению, их пропитывают биозащитными растворами.



Теперь вы имеете чёткое представление о собственном образе жизни, сформулировали требования к будущему дому, взвесили все «за» и «против» по выбору материалов.
Вы сможете легко найти подходящий проект одноэтажного дома площадью 100 м2.
Рекомендации − заказывать ли проект или выбрать готовый
Можно заказать индивидуальный план одноэтажного дома на 100 м² или выбрать типовой, в интернете размещено много разных предложений в любой ценовой категории.
Также выбирать типовое решение можно в следующих случаях:
- если устраивает планировка, площадь, высота потолка, размеры окон;
- если для строительства дома по проекту не потребуются дополнительные земляные работы;
- по типовому проекту трудно определить окончательный вариант дома. Если он уже воплощён в жизнь, можно поговорить обо всех особенностях с его владельцами;
- типовой проект можно выбирать, если он устраивает на 95%, а на сэкономленные средства купить более качественные материалы.
Готовый проект одноэтажного дома на 100 м² существенно экономит время, можно за небольшую стоимость с минимальными корректировками подобрать оптимальное решение. Но нужно помнить, что в нём нет привязки к местности, а также не будут учтены особенности рельефа. Ответить на вопрос, что лучше – готовый или типовой проект, сложно, в каждом случае нужно принимать своё решение. Если выбор в сторону индивидуального плана, желательно доверить его выполнение такой компании, которая сможет проводить и строительные работы.
Типовой проект одноэтажного дома
ПРОЕКТ «ЭЛЕГАНТ»
Пусть этот проект не пугает вас внешней простотой. Наоборот, дом такой формы и с такой крышей дешево обходится в строительстве, а внутри можно расположить массу всего полезного.
Преимущества проекта:
- большая гостиная с камином и выходом на улицу;
- три спальни: одна на первом этаже, остальные на мансарде;
- два санузла обеспечат максимальный комфорт всем домочадцам и гостям;
- есть место для котельной и небольшой гардеробной;
- в дом легко внести изменения даже после его возведения. Например, спальню на первом этаже можно увеличить за счет гостиной, а кухню можно полностью отгородить от гостиной;
- грамотная планировка дома, потому все перечисленные помещения разместились на площади 84 кв.м.




































